Mô tả
CIMR-ET4A0103AAA (55 kW) là lựa chọn chuẩn E1000 cho hệ quạt – bơm – HVAC công suất lớn, nơi mục tiêu chính là tiết kiệm năng lượng, vận hành êm và ổn định dài hạn, không phù hợp cho tải nặng hay mô-men cao.
1. Giới thiệu tổng quan:
- CIMR-ET4A0103AAA là biến tần thuộc dòng Yaskawa E1000, thiết kế chuyên dụng cho quạt, bơm và hệ HVAC, sử dụng nguồn 3 pha 380–480VAC, công suất 55 kW – Normal Duty.
- Dòng E1000 được Yaskawa phát triển nhằm tối ưu hiệu suất năng lượng cho tải mô-men biến thiên, phù hợp các hệ thống vận hành liên tục và yêu cầu độ ổn định cao.
⇒ Thuộc nhóm khung lớn (Large Frame – đuôi AAA), áp dụng cho E1000 từ 30 kW trở lên
2. Thông số kỹ thuật:
-
Điện áp vào: 3 pha 380–480 VAC, 50/60 Hz
-
Điện áp ra: 3 pha, theo điện áp nguồn
-
Dải tần số ra: 0.01 – 400 Hz
-
Phương pháp điều khiển: V/f Control, Open Loop Vector (Fan / Pump)
-
PID controller: Tích hợp
-
Energy Saving Control: Có
-
Giao tiếp: RS-485 (Modbus RTU)
-
Phanh: DC Injection Braking
-
Tiêu chuẩn môi trường: RoHS
3. Kích thước và lắp đặt CIMR-ET4A0103AAA:
-
Kích thước (W × H × D): 329 × 630 × 258 mm
-
Khối lượng: 39 kg
-
Chuẩn vỏ: NEMA Type 1 / IP20
⇒ Phù hợp lắp đặt trong tủ điện HVAC công suất lớn, cần lưu ý không gian và thông gió
4. Ưu điểm nổi bật của E1000 tại 55kw:
Hiệu quả tiết kiệm điện cho hệ HVAC rất lớn:
Theo catalog E1000, Energy Saving Control giúp:
-
Giảm điện áp & dòng khi tải thấp
-
Tối ưu hiệu suất động cơ khi lưu lượng không chạy tối đa
Phù hợp cho:
-
Quạt thông gió lưu lượng rất lớn
-
AHU công suất cao
-
Bơm tuần hoàn nước lạnh/nóng chạy 24/7
Điều khiển HVAC ổn định – êm ái:
-
PID tích hợp cho điều khiển áp suất/lưu lượng
-
Sleep / Wake-up cho hệ bơm
-
Giảm ồn, giảm rung khi vận hành ở dải tần thấp
-
Hỗ trợ động cơ IM & PM (SPM/IPM) trong ứng dụng quạt/bơm
5. Ứng dụng phù hợp và nên dùng với dòng Yaskawa E1000:
Phù hợp:
-
Quạt cấp/hút công suất lớn
-
AHU/FAHU rong tòa nhà, nhà xưởng
-
Bơm tuần hoàn nước lạnh/nóng
-
Bơm tăng áp, bơm PCCC chạy trung bình
-
Hệ xử lý nước, nước thải
Không phù hợp:
-
Băng tải nặng
-
Máy nghiền, máy ép
-
Tải có mô-men lớn khi khởi động
Các ứng dụng này nên dùng V1000 hoặc GA700
6. Hướng dẫn chọn mã, thông số kỹ thuật chung của dòng E1000:
- Hướng dẫn chọn mã:

- Thông số kỹ thuật seri E1000:

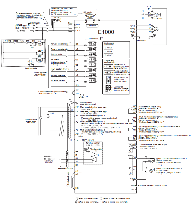
- Cấu tạo và cách đấu nối của E1000:

Mọi thông tin chi tiết khác đều có trong tài liệu chính hãng Yaskawa:
- Catalog-Yaskawa-AC-Drive-E1000_HPE
- Technica-manual-AC-Drive-Yaskawa-E1000_HPE
- Tham khảo thêm website chính thức tại: E1000 | YASKAWA
Video giới thiệu Yaskawa E1000
Liên hệ ngay Hòa Phú để được báo giá tốt nhất
Hotline/Zalo: 0394.169.869 hoặc 037.565.5354 (Click gọi ngay)
-
- Email: sales@hoaphu.com
- Địa chỉ kho: TP.HCM – Giao hàng toàn quốc.















Đánh giá
Chưa có đánh giá nào.