Mô tả
-
CIPR-GA70T4018ABAA-CAAAAA là lựa chọn phù hợp cho các máy công nghiệp công suất 5.5 /7.5 kW, cần điều khiển ổn định và độ bền cao.
1. Giới thiệu tổng quan:
- CIPR-GA70T4018ABAA-CAAAAA là biến tần thuộc dòng Yaskawa GA700 – High Performance Drive, sử dụng nguồn 3 pha 380–460VAC, được thiết kế cho các hệ thống công nghiệp có tải lớn hơn, yêu cầu mô-men cao và khả năng vận hành ổn định lâu dài.
Theo bảng công suất GA700 400VAC bạn cung cấp, model này có:
-
5.5 kW – Heavy Duty (HD)
-
7.5 kW – Normal Duty (ND)
➡️ Đây là dải công suất thường gặp trong băng tải tải nặng, máy trộn lớn và quạt – bơm công nghiệp trung bình.
2. Thông số kỹ thuật:
-
Điện áp nguồn vào: 3 pha 380–460VAC, 50/60 Hz
-
Công suất động cơ:
-
HD: 5.5 kW
-
ND: 7.5 kW
-
-
Phương pháp điều khiển:
-
V/f Control
-
Open Loop Vector Control
-
-
Loại động cơ hỗ trợ:
-
Động cơ không đồng bộ (IM)
-
Động cơ nam châm vĩnh cửu (PM)
-
-
Tần số ngõ ra tối đa: 590 Hz
-
Chức năng an toàn: STO – SIL3 (IEC/EN 61508)
-
Truyền thông tiêu chuẩn: RS-485 (Modbus RTU)
3. Dòng điện định mức CIPR-GA70T4018ABAA-CAAAAA:
🔹 Dòng điện ngõ ra (Output – 460VAC)
-
Rated Output Current – HD: 7.6 A
-
Rated Output Current – ND: 11 A
(thông số được trích lục trực tiếp từ cột “Rated Output Current @ 460VAC” trong catalogue đính kèm phía dưới)
🔹 Dòng điện ngõ vào (Input current)
Catalogue GA700 không tách riêng bảng Input Current cho từng mã nhỏ, tuy nhiên theo tiêu chuẩn của Yaskawa:
-
Dòng điện ngõ ra được sử dụng làm cơ sở lựa chọn dây, MCCB và contactor phía tải
-
Dòng ngõ vào thực tế phụ thuộc:
-
Chế độ HD / ND
-
Điện áp nguồn
-
Hệ số công suất động cơ
-
➡️ Với tư vấn kỹ thuật & thiết kế tủ, luôn dùng dòng ngõ ra (Output Current) làm thông số chính.
4. Kích thước và lắp đặt GA700 4009:
Theo catalogue GA700 – cột Dimensions, model 4005 có:
-
Kích thước (W × H × D): 140 × 260 × 211 mm
- Trọng lượng: 4.0 kg (STD / EMC)
-
Kiểu lắp đặt:
-
IP20 (mặc định)
-
Có thể lắp trong tủ điện (IP00)
-
➡️ Phù hợp cho tủ điều khiển máy gọn, không chiếm nhiều không gian.
5. Ứng dụng phù hợp :
- Băng tải tải trung bình – nặng
- Máy trộn, máy khuấy dung tích lớn
- Máy ép, máy kéo cơ khí
- Quạt – bơm công nghiệp công suất trung bình
- Hệ truyền động cần mô-men cao lúc khởi động
Phù hợp ứng dụng:
-
Thay đổi tốc độ thường xuyên
-
Yêu cầu vận hành ổn định hoặc tải biến thiên
-
Nâng cấp từ biến tần phổ thông lên GA700
6. Hướng dẫn chọn mã, thông số kỹ thuật chung của dòng GA700:
- Hướng dẫn chọn mã:

- Thông số kỹ thuật seri GA700:

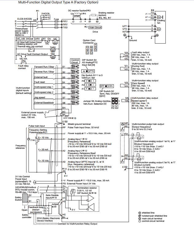
- Cấu tạo và cách đấu nối của GA700:

Mọi thông tin chi tiết khác đều có trong tài liệu chính hãng Yaskawa:
- GA700 AC Drives For Industrial Applications_HPE
- Yaskawa AC Drive GA700 High PerformenceType_HPE
- Tham khảo thêm website chính thức tại: GA700 | YASKAWA
Video giới thiệu Yaskawa E1000
Liên hệ ngay Hòa Phú để được báo giá tốt nhất
Hotline/Zalo: 0394.169.869 hoặc 037.565.5354 (Click gọi ngay)
-
- Email: sales@hoaphu.com
- Địa chỉ kho: TP.HCM – Giao hàng toàn quốc.













Đánh giá
Chưa có đánh giá nào.